
两种简单、精确、灵活的热电偶温度测量方法
简介
热电偶是一种广泛用于温度测量的简单元件。本文简单概述了热电偶,介绍了利用热电偶进行设计的过程中常见的挑战,并提出两种信号调理解决方案。第一种方案将参考接合点补偿和信号调理集成在一个模拟IC内,使用更简便;第二种方案将参考接合点补偿和信号调理独立开来,使数字输出温度感应更灵活、更精确。
热电偶原理
如图1所示,热电偶由在一头相连的两根不同金属线组成,相连端称为测量(“热”)接合点。金属线不相连的另一头接到信号调理电路走线,它一般由铜制成。在热电偶金属和铜走线之间的这一个接合点叫做参考(“冷”)接合点。

图1.热电偶
*我们使用术语“测量接合点“和“参考接合点”而不是更传统的“热接合点”和“冷接合点”。传统命名体系可能会令人产生困惑,因为在许多应用中,测量接合点可能比参考接合点温度更低。
在参考接合点处产生的电压取决于测量接合点和参考接合点两处的温度。由于热电偶是一种差分器件而不是绝对式温度测量器件,必须知道参考接合点温度以获得精确的绝对温度读数。这一过程被称为参考接合点温度补偿(冷接合点补偿)。
热电偶已成为在合理精度内高性价比测量宽温度范围的工业标准方法。它们应用于高达约+2500°C的各种场合,如锅炉、热水器、烤箱和风机引擎等。K型是最受欢迎的热电偶,包括Chromel®和Alumel®(特点是分别含铬、铝、镁和硅的镍合金),测量范围是–200°C至+1250°C。
为什么使用热电偶?
优点
- 温度范围广:从低温到喷气引擎废气,热电偶适用于大多数实际的温度范围。热电偶测量温度范围在–200°C至+2500°C之间, 具体取决于所使用的金属线。
- 坚固耐用:热电偶属于耐用器件,抗冲击振动性好,适合于危险恶劣的环境。
- 响应快:因为它们体积小,热容量低,热电偶对温度变化响应快,尤其在感应接合点裸露时。它们可在数百毫秒内对温度变化作出响应。
- 无自发热:由于热电偶不需要激励电源,因此不易自发热,其本身是安全的。
缺点
- 信号调理复杂:将热电偶电压转换成可用的温度读数必需进行大量的信号调理。一直以来,信号调理耗费大量设计时间,处理不当就会引入误差,导致精度降低。
- 精度低:除了由于金属特性导致的热电偶内部固有不精确性外,热电偶测量精度只能达到参考接合点温度的测量精度,一般在1°C至2°C内。
- 易受腐蚀:因为热电偶由两种不同的金属所组成,在一些工况下,随时间而腐蚀可能会降低精度。因此,它们可能需要保护;且保养维护必不可少。
- 抗噪性差:当测量毫伏级信号变化时,杂散电场和磁场产生的噪声可能会引起问题。绞合的热电偶线对可能大幅降低磁场耦合。使用屏蔽电缆或在金属导管内走线和防护可降低电场耦合。测量器件应当提供硬件或软件方式的信号过滤,有力抑制工频频率(50 Hz/60 Hz)及其谐波。
热电偶测量的难点
将热电偶产生的电压变换成精确的温度读数并不是件轻松的事情,原因很多:电压信号太弱,温度电压关系呈非线性,需要参考接合点补偿,且热电偶可能引起接地问题。让我们逐一分析这些问题。
电压信号太弱:最常见的热电偶类型有J、K和T型。在室温下,其电压变化幅度分别为52 µV/°C、41 µV/°C和41 µV/°C。其它较少见的类型温度电压变化幅度甚至更小。这种微弱的信号在模数转换前需要较高的增益级。表1比较了各种热电偶类型的灵敏度。
表1. 25°C时各种热电偶类型的电压变化和温度升高关系
(塞贝克系数)
|
热电偶类型
|
塞贝克系数 (µV/°C)
|
|
E
|
61
|
|
J
|
52
|
|
K
|
41
|
|
N
|
27
|
|
R
|
9
|
|
S
|
6
|
|
T
|
41
|
因为电压信号微弱,信号调理电路一般需要约100左右的增益,这是相当简单的信号调理。更棘手的事情是如何识别实际信号和热电偶引线上的拾取噪声。热电偶引线较长,经常穿过电气噪声密集环境。引线上的噪声可轻松淹没微小的热电偶信号。
一般结合两种方案来从噪声中提取信号。第一种方案使用差分输入放大器(如仪表放大器)来放大信号。因为大多数噪声同时出现在两根线上(共模),差分测量可将其消除。第二种方案是低通滤波,消除带外噪声。低通滤波器应同时消除可能引起放大器整流的射频干扰(1 MHz以上)和50 Hz/60 Hz(电源)的工频干扰。在放大器前面放置一个射频干扰滤波器(或使用带滤波输入的放大器)十分重要。50Hz/60Hz滤波器的位置无关紧要—它可以与RFI滤波器组合放在放大器和ADC之间,作为∑-Δ ADC滤波器的一部分,或可作为均值滤波器在软件内编程。
参考接合点补偿:要获得精确的绝对温度读数,必须知道热电偶参考接合点的温度。当第一次使用热电偶时,这一步骤通过将参考接合点放在冰池内来完成。图2描述一头处于未知温度,另一头处于冰池(0°C)内的热电偶电路。这种方法用来详尽描述各种热电偶类型的特点,因此几乎所有的热电偶表都使用0°C作为参考温度。

图2. 基本的铁-康铜热电偶电路
但对于大多数测量系统而言,将热电偶的参考接合点保持在冰池内不切实际。大多数系统改用一种称为参考接合点补偿(又称为冷接合点补偿)的技术。参考接合点温度使用另一种温度敏感器件来测量—一般为IC、热敏电阻、二极管或RTD(电阻温度测量器)。然后对热电偶电压读数进行补偿以反映参考接合点温度。必须尽可能精确地读取参考接合点—将精确温度传感器保持在与参考接合点相同的温度。任何读取参考接合点温度的误差都会直接反映在最终热电偶读数中。
可使用各种传感器来测量参考接合点温度:
- 热敏电阻:响应快、封装小;但要求线性,精度有限,尤其在宽温度范围内。要求激励电流,会产生自发热,引起漂移。结合信号调理功能后的整体系统精度差。
- 电阻温度测量器(RTD):RTD更精确、稳定且呈合理线性,但封装尺寸和成本限制其应用于过程控制应用。
- 远程热二极管:二极管用来感应热耦连接器附近的温度。调节芯片将和温度成正比的二极管电压转换成模拟或数字输出。其精度限于约±1°C。
- 集成温度传感器:集成温度传感器是一种局部感应温度的独立IC,应小心地靠近参考接合点安装,并可组合参考接合点补偿和信号调理。可获得远低于1°C的精度。
电压信号非线性: 热电偶响应曲线的斜率随温度而变化。例如,在0°C时,T型热电偶输出按39 µV/°C变化,但在100°C时斜率增加至47 µV/°C。
有三种常见的方法来对热电偶的非线性进行补偿。
选择曲线相对较平缓的一部分并在此区域内将斜率近似为线性,这是一种特别适合于有限温度范围内测量的方案,这种方案不需要复杂的计算。K和J型热电偶比较受欢迎的诸多原因之一是它们同时在较大的温度范围内灵敏度的递增斜率(塞贝克系数)保持相当恒定(参见图1)。

图3.热电偶灵敏度随温度而变化注意,从0°C至1000°C,K型塞贝克系数大致恒定在约 41 µV/°C
另一个方案是将查找表存储在内存中,查找表中每一组热电偶电压与其对应的温度相匹配。然后,使用表中两个最近点间的线性插值来获得其它温度值。
第三种方案使用高阶等式来对热电偶的特性进行建模。这种方法虽然最精确,但计算量也最大。每种热电偶有两组等式。一组将温度转换为热电偶电压(适用于参考接合点补偿)。另一组将热电偶电压转换成温度。热电偶表和更高阶热电偶等式可从http://srdata.nist.gov/its90/main/获得。这些表格和等式全部基于0°C参考接合点温度。在参考集合点处于任何其它温度时,必须使用参考接合点补偿。
接地要求:热电偶制造商在测量接合点上设计了绝缘和接地两种尖端(图4)

图4.热电偶测量接合点类型
设计热电偶信号调理时应在测量接地热电偶时避免接地回路,还要在测量绝缘热电偶时具有一条放大器输入偏压电流路径。此外,如果热电偶尖端接地,放大器输入范围的设计应能够应对热电偶尖端和测量系统地之间的任何接地差异(图5)。

图5.使用不同尖端类型时的接地方式
对于非隔离系统,双电源信号调理系统一般有助于接地尖端和裸露尖端类型获得更稳定的表现。因为其宽共模输入范围,双电源放大器可以处理PCB(印刷电路板)地和热电偶尖端地之间的较大压差。如果放大器的共模范围具有在单电源配置下测量地电压以下的某些能力,那么单电源系统可以在所有三种尖端情况下获得满意的性能。要处理某些单电源系统中的共模限制,将热电偶偏压至中间量程电压非常有用。这完全适合于绝缘热电偶简单或整体测量系统隔离的情况。但是,不建议设计非隔离系统来测量接地或裸露热电偶。
实用热电偶解决方案:热电偶信号调理比其它温度测量系统的信号调理更复杂。信号调理设计和调试所需的时间可能会延长产品的上市时间。信号调理部分产生的误差可能会降低精度,尤其在参考接合点补偿段。下列两种解决方案可以解决这些问题。
第一种方案详细介绍了一种简单的模拟集成硬件解决方案,它使用一个IC将直接热电偶测量和参考接合点补偿结合在一起。第二种方案详细介绍了一种基于软件的参考接合点补偿方案,热电偶测量精度更高,可更灵活地使用多种类型热电偶。
测量方案1:为简单而优化
图6所示为K型热电偶测量示意图。它使用了AD8495热电偶放大器,该放大器专门设计用于测量K型热电偶。这种模拟解决方案为缩短设计时间而优化:它的信号链比较简洁,不需要任何软件编码。

图6.测量解决方案1:为简单而优化
这种简单的信号链是如何解决K型热电偶的信号调理要求的呢?
增益和输出比例系数:微弱的热电偶信号被AD8495放大122的增益,形成5-mV/°C的输出信号灵敏度(200°C/V)。
降噪:高频共模和差分噪声由外部RFI滤波器消除。低频率共模噪声由AD8495的仪表放大器来抑制。再由外部后置滤波器解决任何残余噪声。
参考接合点补偿:由于包括一个温度传感器来补偿环境温度变化,AD8495必须放在参考接合点附近以保持相同的温度,从而获得精确的参考接合点补偿。
非线性校正:通过校准,AD8495在K型热电偶曲线的线性部分获得5 mV/°C输出,在–25°C至+400°C温度范围内的线性误差小于2°C。如果需要此范围以外的温度,ADI应用笔记AN-1087介绍了如何在微处理器中使用查找表或公式来扩大温度范围。
绝缘、接地和裸露热电偶的处理:图5所示为一个接地1MΩ电阻,它适用于所有热电偶尖端类型。AD8495专门设计以在如图所示搭配单电源时测量地电压以下数百毫伏。如果希望更大地压差,AD8495还可采用双电源工作。
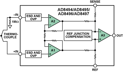
AD8495的更多详情:图7所示为AD8495热电偶放大器的框图。放大器A1、A2和A3(及所示电阻)一道形成一个仪表放大器,它使用恰好产生5 mV/°C输出电压的一个增益来对K型热电偶输出进行放大。在标记“Ref junction compensation”(参考接合点补偿)的框内是一个环境温度传感器。在测量接合点温度保持稳定的条件下,如果参考接合点温度由于任何原因而上升,来自热电偶的差分电压就会降低。如果微型封装的(3.2 mm × 3.2 mm × 1.2 mm)AD8495接近参考接合点的热区域,参考接合点补偿电路将额外电压施加到放大器内,这样输出电压保持恒定,从而对参考温度变化进行补偿。

图7. AD8495功能框图
表2概述了使用AD8495的集成硬件解决方案的性能:
表2.解决方案1(图6)性能概述
| 热电偶类型 | 测量接合点范围 | 参考接合点温度范围 | 25°C时精度 | 功耗 |
| K | –25°C至 +400°C | 0°C至50°C | ±3°C(A级特性) ±1°C(C级特性) |
1.25 mW |
测量解决方案2:为精度和灵活性而优化
图8显示高精度测量J、K或T型热电偶的示意图。此电路包括一个小信号热电偶电压测量用的高精度ADC,和一个参考接合点温度测量用的高精度温度传感器。两个器件都由一个外部微处理器使用SPI接口进行控制。

图8.测量解决方案2:为精度和灵活性而优化
这种配置如何满足前述信号调理要求的呢?
消除噪声并放大电压:AD7793如图9所示,使用AD7793—一种高精度、低功耗模拟前端来测量热电偶电压。热电偶输出经过外部滤波后连接到一组差分输入AIN1(+)和AIN1(–)。信号然后依次经过一个多路复用器、一个缓冲器和一个仪表放大器(放大热电偶小信号)发送到一个ADC,它将该信号转换为数字信号。

图9. AD7793功能框图
参考接合点温度补偿:ADT7320 (详见图10)在充分靠近参考接合点放置时在–10°C至+85°C温度范围内参考接合点温度测量精度可达到±0.2°C。片上温度传感器产生与绝对温度成正比的电压,该电压与内部基准电压相比较并输入至精密数字调制器。该调制器输出的数字化结果不断刷新一个16位温度值寄存器。然后通过SPI接口从微处理器回读温度值寄存器,并结合ADC的温度读数一起实现补偿。

图10. ADT7320功能框图
校正非线性度:ADT7320在整个额定温度范围(–40°C至+125°C)内呈现出色的线性度,不需要用户校正或校准。因而其数字输出可视为参考接合点状态的精确表示。
为了确定实际热电偶温度,必须使用美国国家标准技术研究院(NIST)所提供的公式将此参考温度测量值转换成等效热电电压。此电压与AD7793测量的热电偶电压相加,然后再次使用NIST公式将和转换回成热电偶温度。
处理绝缘和接地热电偶:图8所示为具有裸露尖端的热电偶。此提供最佳响应时间,但相同的配置还可以搭配绝缘尖端热电偶一起使用。
表3概述了使用NIST数据,基于软件的参考接合点测量解决方案的性能:
表3.解决方案2(图8)性能概述
| 热电偶类型 | 测量接合点温度范围 | 参考接合点温度范围 | 精度 | 功耗 |
| J, K, T | 整个范围 | –10°C至+85°C –20°C 至 +105°C |
±0.2°C ±0.25°C |
3 mW 3 mW |
结论
热电偶在相当宽的温度范围内提供稳定可靠的温度测量,但因为需要在设计时间和精度之间进行折衷,它们往往不是温度测量的首选。本文提出解决这些问题的高性价比方式。
第一种解决方案注重借助基于硬件的模拟参考接合点补偿技术来降低测量的复杂度。它可以实现简单的信号链,不需要任何软件编程,依赖于AD8495热电偶放大器所提供的集成特性,该放大器产生5mV/°C输出信号,可馈入到各种微处理器的模拟输入。
第二种解决方案提供最高测量精度,还可使用各种热电偶类型。作为一种基于软件的参考接合点补偿技术,它依赖于高精度ADT7320数字温度传感器来提供精度远超迄今所实现精度的参考接合点补偿测量。ADT7320在–40°C至+125°C温度范围完全校准并指定。完全透明,不同于传统的热敏电阻或RTD传感器测量,它既不需要在电路板装配后进行高成本的校准步骤,也不会因校准系数或线性化程序而消耗处理器或内存资源。其功耗只有数毫瓦,避免了降低传统电阻式传感器解决方案精度的自发热问题。
附录
使用NIST公式将ADT7320温度转换成电压
热电偶参考接合点补偿基于以下关系:
|
(1)
|
其中:
|
ΔV = 热电偶输出电压 V @ J1 = 在热电偶接合点处产生的电压 V @ J1 = 在参考接合点处产生的电压 |
要使这种补偿关系生效,参考接合点的两个端子必须维持在相同的温度。温度均衡是使用一个等温端子块使两个端子的温度相同,同时保持电气隔离。
在测量参考接合点温度后,必须将其转换成等效的热电电压,它在接合点处于测量温度下时产生。一种方法是使用幂级数多项式。热电电压计算如下:
|
(2)
|
其中:
|
E = 热电电压(毫伏) an = 热电偶类型相关的多项式系数 T = 温度(°C) n = 多项式阶数 |
NIST发布每一种热电偶的多项式系数表。这些表包括系数列表、阶数(多项式的项数)、每个系数列表的有效温度范围和误差范围。某些类型热电偶要求多个系数表以涵盖整个温度操作范围。幂级数多项式表在正文中列出。


